上海茸申車用消防泵結構圖和外形安裝尺寸
上海茸申車用消防泵結構圖
消防泵銷售電話:159-7276-7978
車用消防泵 CB10/20





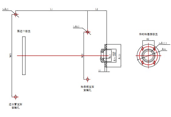
上海茸申車用消防泵外形安裝尺寸

消防泵銷售電話:159-7276-7978
上海茸申車用消防泵結構圖
消防泵銷售電話:159-7276-7978
車用消防泵 CB10/20





上海茸申車用消防泵外形安裝尺寸

消防泵銷售電話:159-7276-7978